设计 任务书 文档 开题 答辩 说明书 格式 模板 外文 翻译 范文 资料 作品 文献 课程 实习 指导 调研 下载 网络教育 计算机 网站 网页 小程序 商城 购物 订餐 电影 安卓 Android Html Html5 SSM SSH Python 爬虫 大数据 管理系统 图书 校园网 考试 选题 网络安全 推荐系统 机械 模具 夹具 自动化 数控 车床 汽车 故障 诊断 电机 建模 机械手 去壳机 千斤顶 变速器 减速器 图纸 电气 变电站 电子 Stm32 单片机 物联网 监控 密码锁 Plc 组态 控制 智能 Matlab 土木 建筑 结构 框架 教学楼 住宅楼 造价 施工 办公楼 给水 排水 桥梁 刚构桥 水利 重力坝 水库 采矿 环境 化工 固废 工厂 视觉传达 室内设计 产品设计 电子商务 物流 盈利 案例 分析 评估 报告 营销 报销 会计
 首 页 机械毕业设计 电子电气毕业设计 计算机毕业设计 土木工程毕业设计 视觉传达毕业设计 理工论文 文科论文 毕设资料 帮助中心 设计流程 
垫片
您现在所在的位置:首页 >>毕设资料 >> 文章内容
                 
垫片
   我们提供全套毕业设计和毕业论文服务,联系微信号:biyezuopinvvp QQ:1015083682   
修改 基于STM32的车内环境监测系统设计与实现 开题报告
文章来源:www.biyezuopin.vip   发布者:毕业作品网站  

毕业设计(论文)开题报告

题目

基于STM32的车内环境监测系统设计与实现

1. 目的及意义(含国内外的研究现状分析)

随着汽车工业发展及消费者对驾乘体验要求的提高,车内环境质量成为影响健康与舒适性的关键。传统汽车内部环境易受外部污染及内部因素影响,空气质量下降,长期暴露会引发头晕、过敏等健康问题,高温时甲醛等有害气体挥发加剧,密闭空间还易滋生细菌,威胁驾乘人员安全。部分高端车型虽有基础环境监测功能,但存在监测参数单一、数据精度低、缺乏主动调控等不足。且现有车内环境监测系统普遍功能单一、成本高昂或智能化不够。在此背景下,本课题以 STM32 为核心,融合多传感器与无线通信技术,设计低成本、高集成度的车内环境监测系统,可实现多参数实时监测、异常报警与自动调控,还配备友好人机交互界面,能填补中端市场空白,为汽车智能化升级提供技术支撑,提升驾乘健康与舒适性。

在国内,对车内环境监测的研究起步较晚,但近年来发展迅速。部分高校与企业聚焦于单一参数监测,例如采用MQ-135传感器检测甲醛浓度,或通过DHT11传感器获取温湿度数据,但功能较为孤立,缺乏多参数融合分析。另一研究虽集成了CO₂传感器与Wi-Fi模块,但未涉及自动调控功能,实用性受限。此外,国内产品多采用51单片机或Arduino平台,数据处理能力较弱,难以满足实时性要求。部分商业化方案虽具备监测功能,但成本较高,且传感器精度与校准周期难以保证。整体来看,国内研究在系统集成度、智能化水平与成本控制方面仍有提升空间。

在国外,对车内环境监测的研究起步较早,技术更为成熟。例如,博世推出的智能座舱系统集成了多参数传感器与AI算法,可实时监测PM2.5、CO₂、温湿度等,并自动调节空调与空气净化设备,但成本高昂,主要面向高端市场。特斯拉则通过车载传感器网络与云端数据分析,实现车内环境动态优化,但其技术封闭性强,难以复现。学术研究方面,美国某团队提出了一种基于机器学习的车内空气质量预测模型,可提前预警污染风险,但需依赖高性能计算平台,不适用于嵌入式系统。欧洲研究则侧重于低功耗设计,例如采用STM32L系列超低功耗芯片,结合太阳能供电,延长系统续航,但功能扩展性有限。总体而言,国外研究在技术先进性与用户体验方面领先,但成本与开放性制约了其普及应用。

本课题旨在设计一种基于STM32的车内环境监测系统,通过集成多类型传感器与STM32微控制器,实现对车内温度、湿度、空气质量等关键参数的实时监测与数据分析。系统采用模块化设计,结合LCD显示屏与蓝牙通信模块,可本地显示数据并上传至手机APP,供用户远程查看与控制。研究目的包括:1、开发高精度、低功耗的硬件电路,确保多参数同步采集与稳定传输;2、设计基于STM32的嵌入式控制算法,实现数据滤波、异常报警与自动调控;3、优化人机交互界面,提升用户体验。该系统可有效改善车内空气质量,降低健康风险,同时为汽车厂商提供智能化升级方案,推动智能座舱技术的发展,具有显著的经济与社会价值。

2.基本内容和技术方案

本设计采用STM32F103C8T6作为核心处理单元,DS18B20温度传感器采集车内环境数据,HC-SR501红外人体感应模块检测车内是否有人,SIM900A短信报警模块实现远程报警功能,TJC4832串口屏用于实时显示系统状态。系统通过优化算法提高温度检测的准确性,并支持本地报警和远程短信报警功能,用户可通过短信及时获取车内高温预警信息。

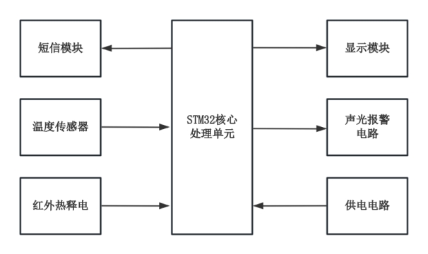
系统按照模块化设计思路划分,主要包括,单片机系统板、温度检测模块、人体检测模块、短信报警模块、显示模块、报警控制模块以及电源模块。单片机系统板负责数据处理和控制;温度检测模块实现车内环境的精确测量;人体检测模块判断车内是否有人;短信报警模块将高温报警信息发送至用户手机;显示模块实时显示系统状态;报警控制模块触发报警(蜂鸣器和LED灯);电源模块为系统提供稳定供电。整体设计框图如图1所示,各模块协同工作,共同实现高精度、智能化的车内高温报警功能。

图1 系统硬件框图

本系统技术方案涵盖硬件、软件及集成调试三部分。硬件以STM32F103系列单片机为核心,它具备高性能、低功耗、低成本以及丰富的开发资源,为系统稳定运行筑牢了坚实基础。同时,搭配热释电红外传感器检测人员滞留情况,DHT系列数字温湿度传感器精准测量温湿度,MH - Z19B非色散红外二氧化碳传感器实时监测浓度,MQ - 135气体传感器检测有害气体,SIM800C GSM/GPRS模块实现数据无线传输与预警推送,高亮度LED和蜂鸣器构成声光报警装置,各硬件模块协同配合,全面感知车内环境。

软件设计上,采用分层架构思路。底层基于Keil MDK开发环境,借助GPIO、I2C、SPI等接口,高效完成传感器数据的采集工作,并对采集到的原始数据进行初步的预处理,如滤波、归一化等,以提升数据质量。中间层运用加权平均法或模糊算法,对多参数进行深度融合处理,挖掘数据间的内在关联,得到更准确反映车内环境状态的综合指标。顶层依据预设的合理阈值,对融合后的数据进行智能判断,一旦发现异常立即触发报警推送机制。此外,为方便用户操作与监控,还可选配Qt或C#开发上位机软件,实现数据的可视化展示以及远程配置功能。

系统集成调试时,先完成硬件各模块焊接连接,再将嵌入式与上位机软件集成调试,最后模拟多种车内场景进行系统联调,及时优化问题,确保系统准确、稳定运行。

3.进度安排:

第1周前熟悉课题内容,准备开题论证;查阅基于STM32的车内环境监测系统相关资料,确定设计方案,熟悉开发环境与方案,完成开题报告撰写及修改,准备开题答辩。

第2周调研STM32单片机、各类传感器、短信模块、声光报警元件等性能参数,对比不同品牌型号,挑选适配元件并列出详细清单。

第3周~第4周开展硬件电路设计,运用电路设计软件绘制原理图与PCB图。

第5~7周进行软件设计,编写数据采集、处理、存储以及智能预警逻辑执行等相关程序,完成论文初稿。

第8周全面测试系统稳定性、准确性与可靠性,详细记录测试结果。

第9~10周完善系统功能调试,依据测试结果优化系统,修改论文并查重。

第11~12周完成论文定稿,制作PPT,做好答辩准备。

第13周提交答辩材料,开展毕业设计答辩。

4.指导老师意见:

指导教师签名:                 年    月    日

注:1. 开题报告应根据教师下发的毕业设计(论文)任务书,在教师的指导下由学生独立撰写,在学校规定时间内完成;

2.设计的目的及意义至少800字,基本内容和技术方案至少400字;

3.指导教师意见应从选题的理论或实际价值出发,阐述学生利用的知识、原理、建立的模型正确与否、学生的论证充分否、学生能否完成课题,达到预期的目标。


  全套毕业设计论文现成成品资料请咨询微信号:biyezuopinvvp QQ:1015083682     返回首页 如转载请注明来源于www.biyezuopin.vip  

                 

打印本页 | 关闭窗口
本类最新文章
基于PLC的小型自动化分生产线控 分布式风电场低电压穿越故障建模与 自动滴定装置及其检测单元设计 开
自动滴定装置及其检测单元设计 任 自动滴定装置及其驱动单元设计 开 自动滴定装置及其驱动单元设计 任
| 关于我们 | 友情链接 | 毕业设计招聘 |

Email:biyeshejiba@163.com 微信号:biyezuopinvvp QQ:1015083682  
本站毕业设计毕业论文资料均属原创者所有,仅供学习交流之用,请勿转载并做其他非法用途.如有侵犯您的版权有损您的利益,请联系我们会立即改正或删除有关内容!