设计 任务书 文档 开题 答辩 说明书 格式 模板 外文 翻译 范文 资料 作品 文献 课程 实习 指导 调研 下载 网络教育 计算机 网站 网页 小程序 商城 购物 订餐 电影 安卓 Android Html Html5 SSM SSH Python 爬虫 大数据 管理系统 图书 校园网 考试 选题 网络安全 推荐系统 机械 模具 夹具 自动化 数控 车床 汽车 故障 诊断 电机 建模 机械手 去壳机 千斤顶 变速器 减速器 图纸 电气 变电站 电子 Stm32 单片机 物联网 监控 密码锁 Plc 组态 控制 智能 Matlab 土木 建筑 结构 框架 教学楼 住宅楼 造价 施工 办公楼 给水 排水 桥梁 刚构桥 水利 重力坝 水库 采矿 环境 化工 固废 工厂 视觉传达 室内设计 产品设计 电子商务 物流 盈利 案例 分析 评估 报告 营销 报销 会计
 首 页 机械毕业设计 电子电气毕业设计 计算机毕业设计 土木工程毕业设计 视觉传达毕业设计 理工论文 文科论文 毕设资料 帮助中心 设计流程 
垫片
您现在所在的位置:首页 >>毕设资料 >> 文章内容
                 
垫片
   我们提供全套毕业设计和毕业论文服务,联系微信号:biyezuopinvvp QQ:1015083682   
基于STM32的车内环境监测系统设计与实现开题答辩稿
文章来源:www.biyezuopin.vip   发布者:毕业作品网站  

基于STM32的车内环境监测系统设计与实现

一、选题背景

随着汽车工业发展及消费者对驾乘体验要求的提高,车内环境质量成为影响健康与舒适性的关键。传统汽车内部环境易受外部污染及内部因素影响,空气质量下降,长期暴露会引发头晕、过敏等健康问题,高温时甲醛等有害气体挥发加剧,密闭空间还易滋生细菌,威胁驾乘人员安全。部分高端车型虽有基础环境监测功能,但存在监测参数单一、数据精度低、缺乏主动调控等不足。且现有车内环境监测系统普遍功能单一、成本高昂或智能化不够。在此背景下,本课题以 STM32 为核心,融合多传感器与无线通信技术,设计低成本、高集成度的车内环境监测系统,可实现多参数实时监测、异常报警与自动调控,还配备友好人机交互界面,能填补中端市场空白,为汽车智能化升级提供技术支撑,提升驾乘健康与舒适性。

二、国内外研究现状

国内对车内环境监测研究起步晚,但近年发展迅速。部分高校与企业聚焦单一参数监测,如用 MQ - 135 测甲醛、DHT11 获取温湿度,功能孤立,缺乏多参数融合分析;有的虽集成 CO₂传感器与 Wi - Fi 模块,却无自动调控功能,实用性欠佳。且国内产品多采用 51 单片机或 Arduino 平台,数据处理能力弱,难满足实时性;部分商业化方案成本高,传感器精度与校准周期难保证,在系统集成度、智能化与成本控制上有提升空间。

国外研究起步早、技术成熟。博世智能座舱系统集成多参数传感器与 AI 算法,能实时监测并自动调节,但成本高,面向高端市场;特斯拉通过车载传感器网络与云端数据分析优化环境,技术封闭难复现;美国某团队提出基于机器学习的空气质量预测模型,可提前预警,但依赖高性能计算平台;欧洲研究侧重低功耗设计,如用 STM32L 系列芯片结合太阳能供电,不过功能扩展性有限。总体上,国外技术先进、用户体验好,但成本与开放性限制了普及。

三、研究目的及意义

本课题旨在设计一种基于STM32的车内环境监测系统,通过集成多类型传感器与STM32微控制器,实现对车内温度、湿度、空气质量等关键参数的实时监测与数据分析。系统采用模块化设计,结合LCD显示屏与蓝牙通信模块,可本地显示数据并上传至手机APP,供用户远程查看与控制。研究目的包括:1、开发高精度、低功耗的硬件电路,确保多参数同步采集与稳定传输;2、设计基于STM32的嵌入式控制算法,实现数据滤波、异常报警与自动调控;3、优化人机交互界面,提升用户体验。该系统可有效改善车内空气质量,降低健康风险,同时为汽车厂商提供智能化升级方案,推动智能座舱技术的发展,具有显著的经济与社会价值。

四、研究主要内容

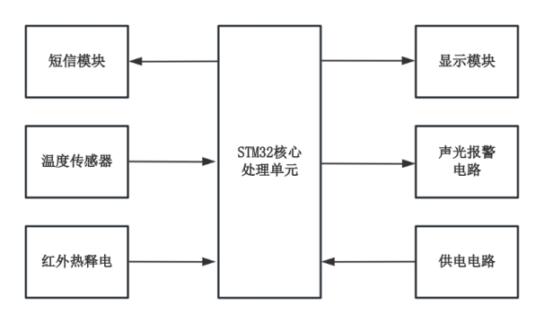
本设计以 STM32F103C8T6 为核心处理单元,构建车内环境监测与报警系统。采用 DS18B20 温度传感器采集车内温度数据,HC - SR501 红外人体感应模块检测车内是否有人,SIM900A 短信报警模块实现远程报警,TJC4832 串口屏实时显示系统状态。系统运用优化算法提升温度检测精度,具备本地与远程短信报警功能,能让用户及时获取车内高温预警。

系统按模块化设计,涵盖单片机系统板、温度检测、人体检测、短信报警、显示、报警控制及电源模块。其中,单片机系统板承担数据处理与控制任务;温度检测模块精准测量车内环境;人体检测模块判断人员滞留情况;短信报警模块发送高温信息至用户手机;显示模块直观呈现系统状态;报警控制模块触发蜂鸣器和 LED 灯报警;电源模块为各模块稳定供电。整体设计框图如图1所示,各模块协同工作,共同实现高精度、智能化的车内高温报警功能。

图1 系统硬件框图

五、技术方案

本系统技术方案分硬件、软件及集成调试三部分。硬件以 STM32F103 系列单片机为核心,其高性能、低功耗、低成本且开发资源丰富,为系统稳定运行提供保障。搭配热释电红外传感器检测人员滞留,DHT 系列测温湿度,MH - Z19B 监测二氧化碳浓度,MQ - 135 检测有害气体,SIM800C 实现数据无线传输与预警推送,高亮度 LED 和蜂鸣器构成声光报警,各模块协同全面感知车内环境。

软件采用分层架构。底层在 Keil MDK 环境下,通过接口采集并预处理传感器数据;中间层用加权平均法或模糊算法融合多参数;顶层依预设阈值判断异常并触发报警。可选配 Qt 或 C# 开发上位机软件,实现数据可视化与远程配置。

集成调试时,先焊接硬件模块,再集成调试嵌入式与上位机软件,最后模拟多种车内场景联调,优化问题,确保系统稳定运行。

六、进度安排

第1周前熟悉课题内容,准备开题论证;查阅基于STM32的车内环境监测系统相关资料,确定设计方案,熟悉开发环境与方案,完成开题报告撰写及修改,准备开题答辩。

第2周调研STM32单片机、各类传感器、短信模块、声光报警元件等性能参数,对比不同品牌型号,挑选适配元件并列出详细清单。

第3周~第4周开展硬件电路设计,运用电路设计软件绘制原理图与PCB图。

第5~7周进行软件设计,编写数据采集、处理、存储以及智能预警逻辑执行等相关程序,完成论文初稿。

第8周全面测试系统稳定性、准确性与可靠性,详细记录测试结果。

第9~10周完善系统功能调试,依据测试结果优化系统,修改论文并查重。

第11~12周完成论文定稿,制作PPT,做好答辩准备。

第13周提交答辩材料,开展毕业设计答辩。

  全套毕业设计论文现成成品资料请咨询微信号:biyezuopinvvp QQ:1015083682     返回首页 如转载请注明来源于www.biyezuopin.vip  

                 

打印本页 | 关闭窗口
  下一篇文章:暂时没有
本类最新文章
基于STM32的车内环境监测系统 修改 基于STM32的车内环境监 基于STM32的车内环境监测系统
基于STM32的车内环境监测系统 修改3 汽车防撞梁优化设计 开题 汽车防撞梁优化设计 开题报告
| 关于我们 | 友情链接 | 毕业设计招聘 |

Email:biyeshejiba@163.com 微信号:biyezuopinvvp QQ:1015083682  
本站毕业设计毕业论文资料均属原创者所有,仅供学习交流之用,请勿转载并做其他非法用途.如有侵犯您的版权有损您的利益,请联系我们会立即改正或删除有关内容!